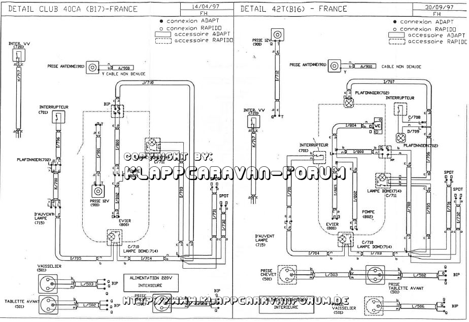
Stromlaufplan_Club_40CA_42T

Stromlaufplan_Club_40CA_42T
Benutzeravatar
KlappiRappi
Super-Camper
Super-Camper
Beiträge: 1506
Registriert: 11.08.2005 21:58

Stromlaufplan_Club_40CA_42T


05.07.2022 10:54
1304

EXIF-Daten



05.07.2022 10:53
Noch keine Kommentare

Zurück zu „Rapido Hubdach-WW“